Zum Hauptinhalt springen

Stadtwerke Schrobenhausen  |  Projekt 1

Ortskernsanierung und Wärmenetz gehen „Hand in Hand“. Ergänzt durch den Einsatz von iKWK und innovativen Wärmepumpensystemen.

Projekt Details

  • Auftraggeber
    Stadtwerke Schrobenhausen,
    Bereich Energieversorgung
  • Ansprechpartner
    Dipl.-Ing. Wolfgang Braun
  • Techn. Planung / Umsetzung
    DME Consult GmbH
  • Partner
    STW Schrobenhausen
  • Projektlaufzeit
    2017-2021
  • Projektkosten
    ca. 2.000.000 €
  • Unterstützt durch
    KfW Bank, BAFA

Aufgabe

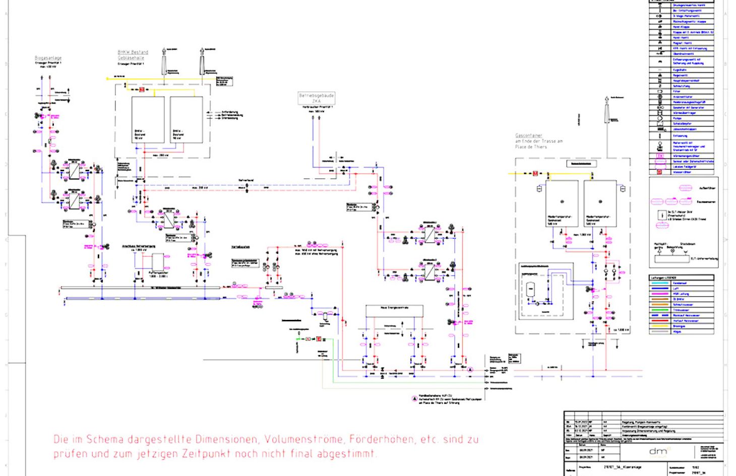
Unser Ort soll schöner werden – damit startete die Ortskernsanierung in Schrobenhausen. Der richtige Zeitpunkt, ein Wärmenetz in der Stadt umzusetzen. Vorhandene Industrie mit Abwärme und Erfahrung mit der Erzeugung erneuerbarer Energien lieferten weitere positive Argumente. Ein Wärmenetz neben einer Gashochdruckleitung, komplettiert durch eine zukunftsorientierte Glasfaserinfrastruktur in Händen der Stadt – so funktioniert die Wärmewende der Zukunft!

Ziel

Schaffung einer funktionalen Wärmenetzstruktur, die perspektivische Erweiterungen im gesamten Ortsbereich zulässt. Parallele Umsetzung von Wärmenetz und Glasfaserleitung. Einbindung von Abwärmepotenzialen regionaler Industriebetriebe wie z.B. der kommunalen Kläranlage.

Arbeiten Schrobenhausen

Kraftwerk

Planung 01

Planung 02

Arbeiten Schrobenhausen

Arbeiten Schrobenhausen

    Mehrwert

    Schaffung einer Projektgrundlage der Stadtwerke zur Nutzung regionaler Abwärme Ressourcen und Bereitstellung erneuerbarer und regenerativer Energien. Erweiterung des Absatzmarktes und Neuausrichtung innerhalb der Energieversorgung.

    Reduzierung der Treibhausgas-Emissionen in signifikanter Größenordnung.

    Ergebnis

    Umsetzung von Wärmenetz und Glasfaser im Zuge der Ortskernsanierung. Erweiterung des Netzes in angegliederte Ortsbereiche über netzhydraulische Vorplanung. Schaffung einer Basis zur Netzerweiterung in den nächsten Jahren. Stabilitätssteigerung der Betriebswirtschaftlichkeit heute und perspektivisch durch Integration von iKWK und innovativen Wärmepumpensystemen.

    Möchten Sie gerne mehr wissen?

    Scroll to Top